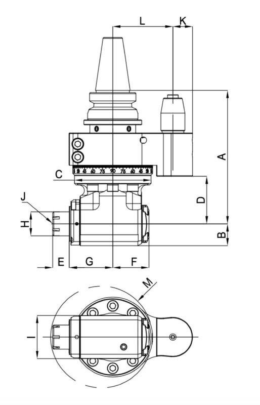
AHL 輕量化橫向銑頭

  • 輕量化橫向銑頭設計,適用於鑽銑加工及攻牙加工。
  • 自動刀庫換刀加工,量化生產必備工具。
  • 環抱型定位塊設計,可360度旋轉調整加工角度,並加強鎖固力道及加工角度精確性。
貨號: AHL-A1 分類: 標籤: