Skip to content
首頁
關於我們
品牌介紹
服務項目
產品
文章分享
檔案下載
聯絡我們
搜尋關鍵字:
首頁
/
刀桿
/
豪力輝角度頭
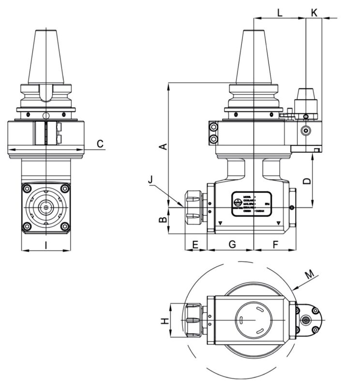
AHL 90° 橫向銑頭
90° 橫向銑頭輕量化設計,適用於鑽銑加工攻牙加工。
自動刀庫換刀加工,量化生產必備工具。
環抱型定位塊設計,可360度旋轉調整加工角度並加強鎖固力道及加工角度精確性。
馬上詢價
貨號:
AHL-A2/A3
分類:
豪力輝角度頭
標籤:
角度頭
搜尋關鍵字:
首頁
關於我們
品牌介紹
服務項目
產品
文章分享
檔案下載
聯絡我們
登入
使用者名稱 或 電子郵件
*
密碼
*
保持登入
登入
忘記密碼?